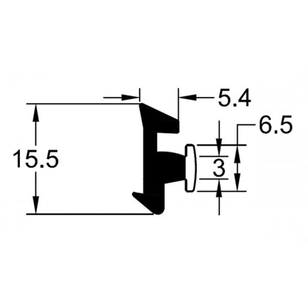
4.5mm Wedge Gap

Product Code: PX0019

Raw Material :
 Polypropylene
 TPV

100Mts /Roll