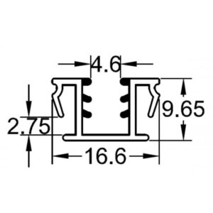
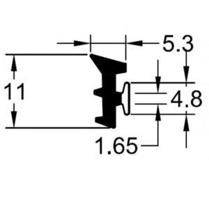
Bifold Door Seal

Product Code: PX0648-C

Raw Material :
 Blue Polypropylene
 TPV

200Mts /Roll