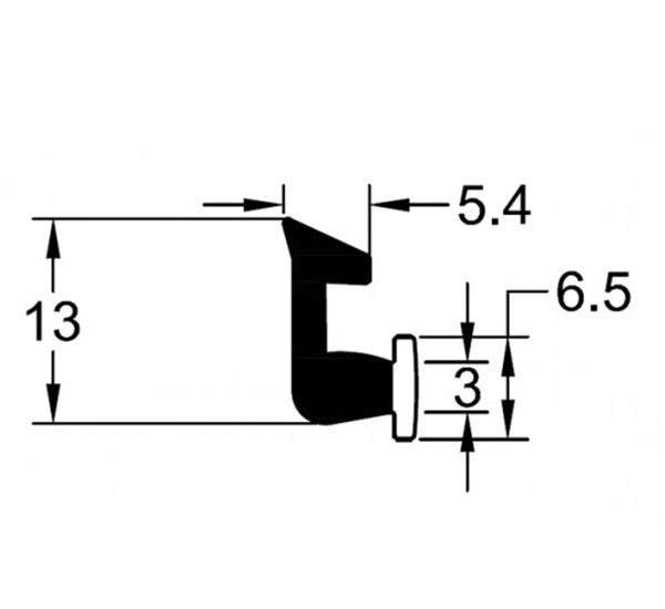
4.5mm Wedge Gap

Product Code: PX0012

Raw Material :
 Polypropylene
 TPV

100Mts /Roll